大学生电子设计大赛准备--三极管和达林顿阵列学习

一、三极管
在数电、模电的学习过程中会接触到很多有关三极管的知识。在这里不考虑三级管的功率放大作用,只考虑三极管的开关作用,而接下来
要学习的达林顿阵列最大的作用就是功率放大作用。
MCU的外部引脚输出电流范围一般在,能够接收的最大电流也是。这么小的输入、输出电流基本是没有什么用途的,所以为了增大MCU的驱动能力,就是可以使用三极管的开关作用使电流进行放大。
图上使用三极管驱动小灯点亮,其实是大材小用了,单片机的I/O引脚完全可以驱动小灯点亮。我们一般将三极管的开关作用使用在需要更大电流驱动的模块上,例如:继电器,数码管,蜂鸣器等。
N管:对于N管,基极给VCC三极管导通,小灯亮。
P管:对于P管,基极给GND三极管导通,小灯亮。
注意:这里主要是看沿箭头指向的基极是否存在电流,存在电流三极管导通,不存在三极管不导通。对于一些单片机来说,在没有使用任何软件程序驱动的情况下,其I/O引脚呈VCC高电平状态(这和单片机封装有关,一般会存在上拉电阻),这样的话在LED电路或者数码管电路中P管就较为常用。
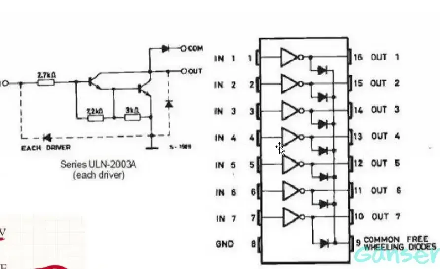
二、达林顿阵列
达林顿阵列就是一组P管,在使用中8脚接地,9脚接VCC,然后1-7脚作为输入,10-16脚作为输出。需要注意,达林顿整列具有很强的输出低电压的能力。如果给输入引脚高电平,则对应输出引脚输出低电平,但是给输入引脚低电平,对应的输出引脚输出未知。所以,达令顿阵列只能驱动共阴极的数码管。
芯片型号:ULN-2003(7路),ULN-2803(8路)
本博客所有文章除特别声明外,均采用 CC BY-NC-SA 4.0 许可协议。转载请注明来自 GanSer!
评论
匿名评论
✅ 你无需删除空行,直接评论以获取最佳展示效果


















