大学生电子设计大赛准备--USB转TTL串口电路学习

一、串口介绍
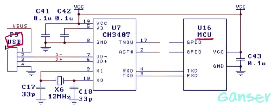
使用串口进行通信,我们都知道电脑PC机使用的是USB总线,它不能直接与我们的单片机MSU进行通信,需要USB转TTL串口电路进行搭桥
PC机对单片机的作用一般是进行程序下载以及通信,为了实现USB转TTL现阶段最常用的是使用CH340转接芯片。
二、电路分析
在这里指出,PC机的USB总线使用的D+/D-通信模式,以下两个D+和D-也是USB口的数据传输线。单片机TTL通信(UART串口)使用的TXD和RXD模式,其中TXD是发送数据线,RxD是接收数据线。
简单看一下CH340芯片,19、5、8脚分别是VCC、GND,外接滤波电容。9、10脚接外部时钟电路(有的转接芯片不需要时钟电路)。整个工作内容就是在3、4脚将USB通信发送的内容与MCU的TXD和RXD连接转为串口数据内容,发送到MCU,反之将MCU中的内容转为USB口的D数据,以此实现USB转TTL通信串口的目的。
三、其他的转接芯片
可以在WHC沁恒官网上查找其他转接芯片,也有很多资料可供下载
本博客所有文章除特别声明外,均采用 CC BY-NC-SA 4.0 许可协议。转载请注明来自 GanSer!
评论
匿名评论
✅ 你无需删除空行,直接评论以获取最佳展示效果





















