数电课程设计-数字钟的设计

摘要
数字钟实际上属于一种数字电路装置,可以实现时,分和秒的计时。数字钟的应用原理就是利用数字电路,主要包括以下电路:一是组合逻辑电路,二是时序电路。数字钟由以下几个部分组成:一是振荡器,二是分频器,三是发生器,四是校正电路,五是60 进制秒计时器,六是60 进制分计时器,七是24进制秒计时器,八是24进制分计时器。多功能数字钟可以实现以下功能:一是计时功能,二是校时功能,三是整点报时功能,四是显示星期的功能,五是闹钟的功能。多功能数字钟的设计与制作是数字钟功能发挥的前提和基础,只有保证数字钟设计和制作的合理性,才能充分发挥出数字钟的功能。
关键词
数字钟 晶振 分频器 计数器 译码器
一、设计内容及要求
1.1 设计内容
① **基本要求:**设计并在面包板上制作一个数字钟,能准确显示“时”、“分”、“秒”,并具有校表功能。
② **选做与发挥部分:**使数字钟具有整点报时功能,报时方法不限。
1.2 设计要求
① 计时结果“时”、“分”、“秒”用数码管实时显示。
② 计时以24小时为一个周期。
③ 为了保证计时的稳定与准确,标准时间基准信号由晶体振荡器提供。
④ 画出系统框图和逻辑电路原理图及接线图,并在面包板上进行组装、调试。最后写出设计和组装调试总结报告。
二、设计方案
2.1 总设计思路及原理
2.1.1 设计思路
由振荡器产生的信号经过分频器作为产生秒脉冲,秒脉冲送入计数器,计数结果经过“时”、“分”、“秒”,译码器,显示器显示时间。其中振荡器和分频器组成标准秒脉冲信号发生器,由不同进制的计数器,译码器和显示电路组成计时系统。秒信号送入计数器进行计数,把累计的结果以“时”,“分”、“秒”的数字显示出来。“时”显示由十二进制进制计数器,译码器,显示器构成;“分”、“秒”显示分别由六十进制的计数器,译码器,显示器构成;校时电路实现对时,分的校准。
其基本原理的逻辑框图如下所示:
2.1.2 设计原理
① 振荡器产生高稳定的高频脉冲信号,作为数字钟的时间基准,在经过分频器输出标准的秒脉冲信号
② 秒计数器计满60之后向分计数器进位,分计数器计满60之后向小时计数器进位,小时计数器按照24翻0规律计数
③ 计时出现误差时可以用校时电路进行校时、校分和校秒
2.2 单元电路的设计
2.2.1 振荡器的设计
振荡器是数字钟的核心。振荡器的稳定度和频率的精确度决定数字钟计时的准确程度,通常选用石英晶体构成震荡电路。一般来说,振荡器的频率越高,计时精度越高,且石英晶体振荡器电路结构简单。但是由于Multisim里面32.768KHz的晶振参数有问题,所以在仿真的时候我使用的是标准的1Hz秒脉冲信号源。详情请看文献1,下面我关于震荡电路的一些解释。
单个晶振等效为该晶振的等效电感、等效电容、等效串联电阻和静态电容的串联。
将晶振接入数字电路既可以工作在并联谐振状态,也可以工作在串联谐振状态。工作于晶体并联谐振状态的门电路振荡器如下图。根据计算公式:$ Cl=\frac{Cg*Cd}{Cg+Cd} +Cs $,其中Cl为晶体标称负载电容,Cs为PCB杂散电容一般取3-5pF,且一般的接地电容选择Cg=Cd。因此根据我们常见的32768Hz晶振的负载电容为:12.5pF,根据算我们可以知道我们选择19pF的接地电容是合适的。
2.2.2 分频器的设计
分频器电路将32768Hz的高频方波信号经32768($ 2^{16} $)次分频后得到1Hz的方波信号供秒计数器进行计数。通常实现分频器的电路是计数器电路,一般采用多级二进制计数器来实现。
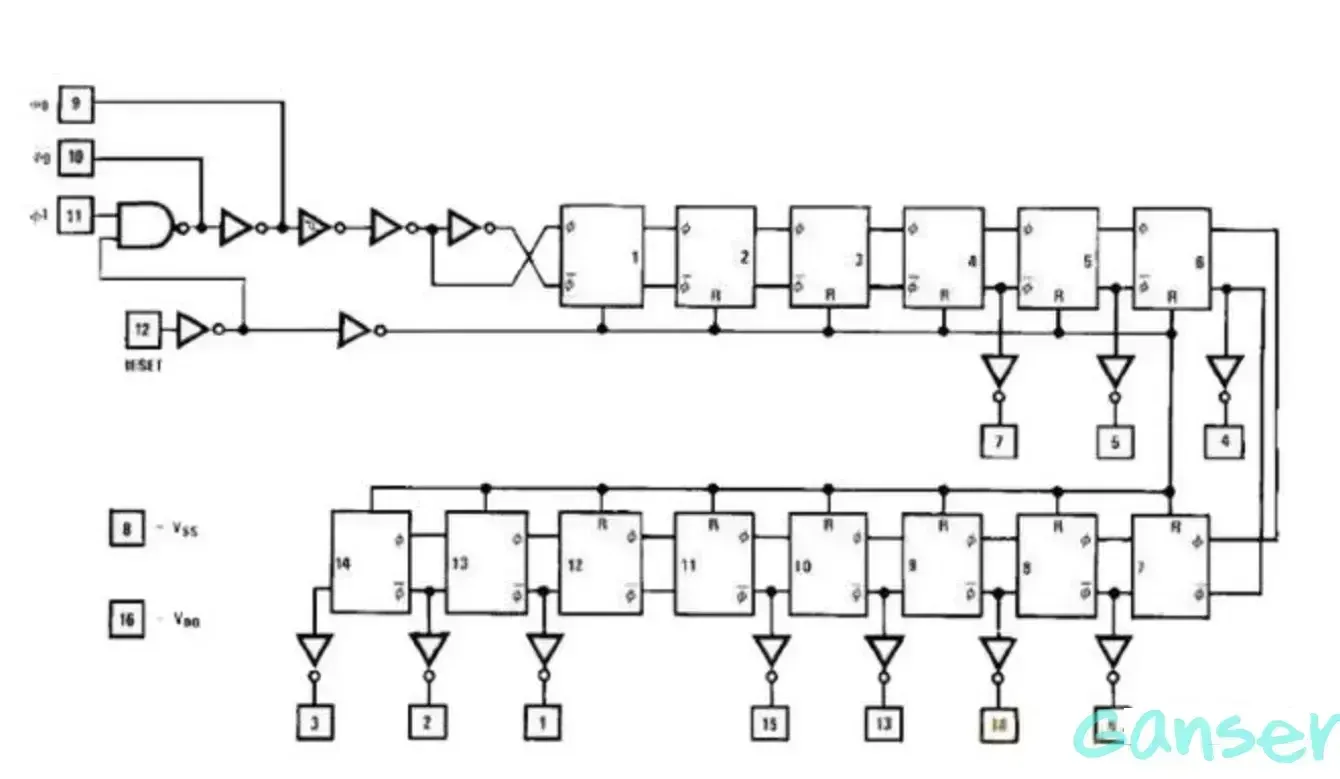
本课程设计中采用CD4060来构成分频电路。CD4060在数字集成电路中可实现的分频次数最高,而且CD4060还包含振荡电路所需的非门,使用更为方便。CD4060计数器为14级二进制串行计数器,可以将32760HZ的信号分频为2Hz,其内部框图如图所示,从图中可以看到CD4060的时钟输入端两个串接的非门,因此可以直接实现振荡和分频的功能。
CD4060为双列引脚,其中1脚为12分频输出、2脚为13分频输出、3脚为14分频输出、4脚为6分频输出、5脚为5分频输出、6脚为7分频输出、7脚为4分频输出、8脚为电源负极Vss、9脚为信号正向输出、10脚为信号反向输出、11脚为信号输入、12脚为复位端、13脚为9分频输出、14脚为8分频输出、15脚为10分频输出、16脚为电源正极Vdd。CR为高电平时,计数器清零且振荡器使用无效。所有的计数器位均为主从触发器。在CP1(和CP0)的下降沿计数器以二进制进行计数。在时钟脉冲线上使用斯密特触发器对时钟上升和下降时间限制。
使用32768Hz的晶振实现1Hz秒脉冲的输出需要15次2分频,CD4060只能实现14次二分频,因此我们还需要外接一个D触发器实现依次二分频。这里使用上升沿触发的双D触发器74LS74,把其中的一个D触发器的Q’输出端接到D输入端,时钟信号输入端CLOCK接时钟输入信号。这样每来一次CLOCK脉冲,D触发器的状态就会翻转一次,每两次CLOCK脉冲就会使D触发器输出一个完整的正方波,这就实现了二分频。
2.2.3 分秒电路的设计
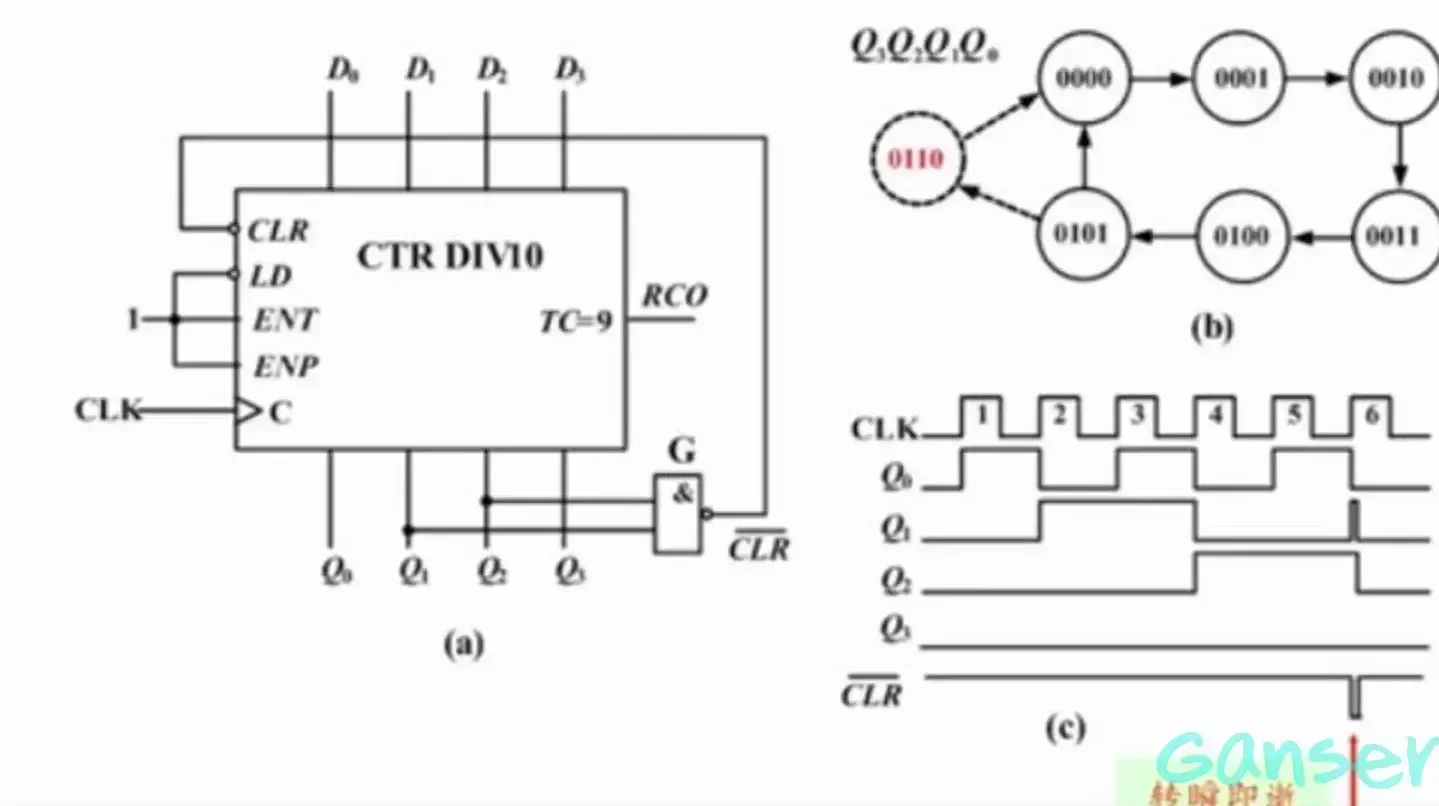
计数电路就要用到计数器,而计数器又有同步和异步之分。这里时计数电路要用到24进制计数器,而分秒电路是60进制计数器;74160计数器不仅具有二进制加法计数功能,还具有预置数、保持、和异步置零等附加功能。图中LD为预置数控制端,A-D为数据输入端,CLK为进位输出端,CLR为异步置零端,ENP、ENT为工作状态控制端。有了“秒”信号,则可根据60秒为1分,60分为1小时,24小时为1 天的进制,分别选定“秒”、“分”、“时”的计数器。在“秒”计数器中,因为是60 进制,即有60 个“秒”信号,才能输出一个“分”进位信号。若用十进制数表示需要两位十进制的数(个位和十位),这样,“秒”个位应是十进制,“秒”十位应是六进制,符合人们计数的习惯。“秒”计数器中通常用两个十进制计数器的集成片组成,然后再采用反馈归零的方法使“秒”十位变成六进制,以使个位、十位合起来实现60进制。计数器74LS160,其计数的模为10,计数方式为加1计数,从0000开始,每个时钟脉冲加1,直到1001,即十进制数9,然后再回到0000。
基于以上思想,我们使用两个74LS160十进制计数器作为秒钟的个位和十位。个位与十位计数器之间采用同步计数的连接方式,将个位计数器的进位输出信号接至十位计数器CLK,完成个位对十位计数器的进位控制。选择十位计数器QC与QB做反馈端,经与非门输出控制CLR,接成六进制计数形式。当计数器状态60时,瞬间异步清零00000000,并输出一进位。其具体在电路中的接法如图所示。
用带有异步清零端的十进制计数器74LS160构成模6加法计数器,设计思路是:
① 假设计数器74160从初始状态$ Q_3Q_2Q_1Q_0 $=0000开始计数,
② 接收到第1个时钟脉冲后状态变为0001,
③ 接收到第2个时钟脉冲后状态变为0010,
④ 接收到第3个时钟脉冲后状态变为0011,
⑤ 接收到第4个时钟脉冲后状态变为0100,
⑥ 接收到第5个时钟脉冲后状态变为0101,
接收到第6个时钟脉冲后状态变为0110,如果此时利用状态0110,通过组合电路产生异步清零信号,并反馈到74160的清零端,于是计数器尽在状态0110短暂停留后就立刻复位到0000状态,这样,就跳跃了计数器74LS160的4个状态,而获得了6进制计数器。
2.2.4 时电路的设计
24进制时计数器也是采用两片74LS160连接而成的。其低位也是十进制计数器,信号端接的是分单元的进位信号。高位的脉冲信号是时单元低位的进位信号。当高位计数为0001,低位为0010时,即时计数器计数到24时通过CLR清零端控制把时单元两片74ls160计数清零成00,这样就形成了24进制时计数器。其具体在电路中的接法如图所示。
2.2.5 译码电路的设计
74LS48为有内部上拉电阻的BCD-七段译码器/ 驱动器,其引脚图如下图所示。输出端(Ya-Yg)为高电平有效,可驱动灯缓冲器或共阴极VLED。当要求输出0-15时,消隐输入(BI)应为高电平或开路,对于输出为0 时还要求脉冲消隐输入(RBI)为高电平或者开路。当BI为低电平时,不管其它输入端状态如何,Ya-Yg均为低电平。当RBI 和地址端(A0-A3)均为低电平,并且灯测试输入端(LT)为高电平时,Ya-Yg为低电平,脉冲消隐输出(RBO)也变为低电平。当BI为高电平或开路时,LT为低电平可使Ya-Yg均为高电平。七段显示译码器的主要功能是把8421BCD码译成对应于数码管的7个字段信号,驱动码管,显示出相应的十进制数码。D,C,B,A是8421BCD码的4位输人信号,a,b,c,d,e,f,g是七段译码器输出信号高电平有效,分别接共阴极数码管的a~g引脚,LT,RBI,BI为控制端。灯测试输人端L:当LT=0,BI=1时,无论A3~A0为何种状态,a,b,c,d,e,f,g的状态均为0,数码管七段全亮,显示“8”字形,用以检查七段显示器各字段是否能正常工作。动态灭零输入端RBI:当RBI=0时,且LT=1,BI=0时,若D,A的状态均为0,则所有光段均灭,在数字显示中用以熄灭不必要的0。例如,显示0021,21前面的两个0是多余的,可以通过在对应位加灭零信号(RBI,0)的方法去掉多余的零。74LS48引脚图如图所示。
74LS48引出端符号和功能:
 ① A0 -A3 译码地址输入端
 ② BI/ RBO 消隐输入(低电平有效)/ 脉冲消隐输出(低电平有效)
 ③ LT 灯测试输入端(低电平有效)
 ④ RBI 脉冲消隐输入端(低电平有效)
 ⑤ Ya-Yg 段输出
74LS48译码输出样式:
74LS48除了有实现7段显示译码器基本功能的输入(DCBA)和输出(Ya~Yg)端外,7448还引入了灯测试输入端(LT)和动态灭零输入端(RBI),以及既有输入功能又有输出功能的消隐输入/动态灭零输出(BI/RBO)端。
译码电路的功能是将“秒”、“分”、“时”计数器的输出代码进行翻译,变成相应的数字。用于驱动LED七段数码管的译码器常用的有74LS48。74LS48是BCD-7段译码器/驱动器,其输出是OC门输出且低电平有效,专用于驱动LED七段共阴极显示数码管。由74LS48和LED七段共阴数码管组成的一位数码显示电路如图所示。若将“秒”、“分”、“时”计数器的每位输出分别接到相应七段译码器的输入端,通过74LS48编码后再接到相应的数码管引脚上,便可进行不同数字的显示。
2.2.6 校时电路的设计
校时电路的设计通过单刀双掷开关来对数字时钟进行校正,开关的一端连接秒脉冲信号源,另一端分别接分单元和时单元低位的信号端,通过单刀双掷开关拨打连接到双D触发器74LS74,其产生的秒脉冲来分别对时、分单元进行校正。
2.2.7 整点报时电路的设计
整点报时电路就是电路在整点时产生报时信号,整点即分钟和秒钟皆为零,转换成二进制码就是零零电路,主要使用到的是四输入的或非门分别连接到分钟电路的十位、个位,秒钟电路的十位、个位,输出端0000经过或非门均输出高电平,个位、十位经过或非门后输出结果经过与门输出。秒钟整点检测电路原理相同,在二者输出结果,经过与门输出高电平,从而触发蜂鸣器工作,这就是整点报时电路的原理。

2.2.8 Multisim晶振问题
在2.2.1小节,我们介绍了晶体振荡器的原理,课程设计要求我们使用32768Hz的晶振加分频器产生1Hz标准秒脉冲,但在实际仿真过程中我们会发现Multisim软件中的32.768KHz晶振参数是完全是错误的,我们可以参考文献1中的描述,下面是我实际使用过程中的计算过程。根据晶振频率计算的公式:$ \frac{1}{2Π\sqrt{LC}} $,可以计算出Multisim为我们提供的晶振实际频率为:32154154.1484680比我们需要的频率高了3个数量级,根据文献提供的spice模型数据进行更改仍不能解决此问题,因此最后放弃使用晶振改用标准脉冲信号源。当然我们仍然可以证明4060可以进行14分频,将32768Hz的脉冲分频输出为2Hz脉冲,如下是两组对比。实际焊接的时候的确可以使用标准的晶振经过15个2分频产生1Hz秒脉冲。
三、电路仿真结果及分析
3.1 振荡器电路结果
直接使用1Hz脉冲信号源
3.2 分频器电路结果
直接使用1Hz脉冲信号源
3.3 分秒电路结果
3.3.1 秒电路的结果
3.3.2 分电路的结果
3.4 小时电路仿真结果
这里录制GIF时手速慢,秒表对不上
3.5 校时电路仿真结果
注:在前面测试小时电路时,我发现上面的校时电路受限太大,所以我带了船新2.0版本。
3.7 整点报时仿真
啊这个…我录GIF好像听不见声音,所以为了证明我是做了整点报时的功能我加了个灯泡,大家注意灯泡会变红的哈
3.7 总体电路仿真
这里用的是石英晶体振荡器,不知道为什么输出的脉冲总是不对,目前还在调整,凑合着看吧
四、实物测试结果及分析
4.1 晶振电路
4.2 秒分电路
4.3 时电路
4.4 校时电路
4.5 总体电路
五、总结
本次课程设计是对我们这学期所学习的数电知识的一个系统的总结。在本次数电课程设计中需要我们运用到计数器的知识还有译码器的知识,以及对数码管的运用,门电路,触发器,CD4060 芯片的运用,晶振的使用方法。
在还没开始制作的时候确实会觉得比较难,并不是到如何制作一个能够计时数字钟。会觉得难得关键问题是不知道如何将所学的知识运用到实践中去,还有就是对于仿真软件的不熟悉,虽然上学期学习电路理论的时候对于这软件有一定的学习,但是并不需要像这次一样调用如此多的元器件。在这次课程设计的完成过程中,我个人认为最困难的是由晶振和分频器组成的电路产生1HZ秒脉冲的设计,这个我设计好久也问了老师和同学。从中知道:知识不仅仅是写在书本上的文字和死板的理论,它更是指导我们实践的工具。用一些比较简单的逻辑器件,经过一定的理论知识分析,将它们组合在一起就构成了我们生活中普遍应用的电子电路。完成课程设计的任务以后,看到自己的成果感到很有成就感,从而加强了自己对本课程的兴趣,更加有利于对本课程方面知识的进一步拓展性学习。
通过本次课程设计,我觉得自己的仿真技术和应用能力还是很欠缺的,虽然完成了基本的设计要求,但是很多自己想要的扩展功能还未能实现。而且很多时候会走过很多弯路,浪费了很多不必要的时间。不过,这次设计经历必将使我受益终身,让我明白如何更好的获取知识,如何更好的理论联系实际。今后的学习更需要不断努力,在获得知识的同时获得快乐,真正的主动探索,主动学习,形成自己的思维方式,不断应用,不断进取。成功就是在不断摸索中前进实现的,遇到问题我们不能灰心、烦躁,甚至放弃,而要静下心来仔细思考,分部检查,找出最终的原因进行改正,这样才会有进步,才会一步步向自己的目标靠近,才会取得自己所要追求的成功。














































